| 銷售部: | 13569819530 李經理 |
| 技術部: | 18738588883 李 工 |
| 座 機: | 0373-5419909 |
| 傳 真: | 0373-5419669 |
| EmaiL: | helen28888@163.com |
| 地 址: | 新鄉市鳳泉區陳堡工業園 |

直排篩簡介
直排篩是國盛公司首推主打產品,有單振動電機模式和雙振動電機模式兩種,這兩種直排篩對物料的適應能力很強大,可以篩分多種不同物料。工作時候振動電機帶動篩框做水平、垂直、傾斜的三次元高頻振動,使物料通過網面得到篩分,并通過中心下部出料口排出,達到的篩分效果。根據需要可以通過調節振動電機偏心重錘角度改變排料量大小。直排篩分機出料口也可設計在篩機底部,優點是物料直接排放,處理量大大增加。
直排篩工作原理:
直排篩分機是在旋振篩的基礎上設計的一種篩分過濾篩,通過兩臺相同大小的振動電機對稱的安裝在篩體的兩側,和旋振篩一樣,電機的上下兩端都安裝有偏心重錘,電機在轉動時產生三次元運動作用于篩面從而達成對物料的篩分作業,同時出料口為直排式設計來提高排料的速度。
直排篩產品特點:
1)占地面積小、移動輕便、成本低。
2)耗能低、效率高。
3)拆裝方便,內外部易清理,無積料死角,符合食品級GMP規范。
4)自動化作業,可24小時連續生產。
5)超低靜音設計。
6)密封嚴謹,液體不泄漏,粉塵不飛揚。
7)可單層、多層使用,一次多級篩選。

大型直排篩
直排篩類型:
直排篩按照振動源可劃分為兩種:
單振源直排篩:單電機,物料在篩網表面主要產生上下振動,無自動排料功能。
雙振源直排篩:雙電機,物料在篩網表面產生漩渦運動,有自動排料功能;

單振源直排篩

雙振源直排篩
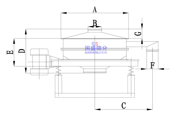
直排篩示意圖:

| 型號 | A | B | C | D | E | F | G |
| ZPS-600 | 600 | 150 | 380 | 560 | 325 | 120 | 80 |
| ZPS-800 | 800 | 200 | 540 | 600 | 350 | 125 | 90 |
| ZPS-1000 | 970 | 250 | 640 | 640 | 350 | 150 | 100 |
| ZPS-1200 | 1170 | 250 | 700 | 700 | 400 | 180 | 120 |
| ZPS-1500 | 1470 | 250 | 760 | 760 | 440 | 200 | 120 |
直排篩技術參數:

| 型號 | 功率 | 篩面直徑(mm) | 有效篩面(㎡) | 體積(mm) |
| ZPS-600 | 0.18 | 520 | 0.2124 | 740x600x560 |
| ZPS-800 | 0.25 | 720 | 0.4072 | 1010x800x600 |
| ZPS-1000 | 0.37 | 890 | 0.6221 | 1200x970x640 |
| ZPS-1200 | 0.55 | 1090 | 0.9331 | 1430x1170x700 |
| ZPS-1500 | 0.75 | 1390 | 1.5175 | 1780x1470x760 |
直排篩適用行業:
直排篩分機振動源分單電機和雙電機結構形式,物料運行軌跡有多種調節形式,設備適用性顯著增加;物料直接排放可增大處理量。多用于面粉、淀粉、洗衣粉、金屬粉、添加劑、化工、非礦等行業的顆粒粉末的粗略篩分和精細篩分。通常在ZPS600-1200型號之間使用最廣,還可以根據用戶需求不同特殊定制。



