| 銷售部: | 13569819530 李經理 |
| 技術部: | 18738588883 李 工 |
| 座 機: | 0373-5419909 |
| 傳 真: | 0373-5419669 |
| EmaiL: | helen28888@163.com |
| 地 址: | 新鄉市鳳泉區陳堡工業園 |

高效重型篩分機簡介:
ZSG系列高效重型篩分機是我公司自行研制的一種新型、高效的篩分設備,主要用于冶金、礦山、煤炭、建材、電力、化工等行業,尤以冶金行業用途最為廣泛,是高爐槽下、焦化廠、選礦廠常用的篩分機械。該機采用新型節能振動電機或激振器作振動源,采用橡膠彈簧支撐并隔振,具有處理量大、篩分效率高、篩網更換方便、安裝及維修簡便等優點。
高效重型篩分機工作原理:
ZSG系列高效重型篩分機是利用振動電機或普通電機激振器做為振動源,使篩體沿激振力方向作周期性往復振動,物料在篩面上沿直線方向作拋物線運動,從而達到篩分目的。ZSG系列高效重型篩分機由振動源、篩體、減振裝置和底托組成,篩機側板采用優質鋼板制作而成,側板與橫梁、激振器底座采用高強度螺栓或環槽鉚釘連接,結構合理,堅固耐用,方便、安裝及維修簡便等優點。

高效重型篩分機產品特點:
ZSG系列高效重型篩分機篩面傾斜安裝,與其它同類型產品相比具有下列特點:
1、結構設計合理,篩分能力大;
2、高效重型篩分機重量輕,便于安裝及工藝布置;
3、能耗少,可節約大量能源;
4、價格低,備件量極少;
5、結構簡單,造型美觀;
6、篩網由小塊拼裝,且更換極為簡單。

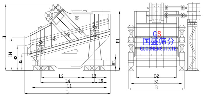
產品結構圖:

高效重型篩分機技術參數:
| 型號 | 篩分能力 | 配用電機 | 電壓(V) | 功率(KW) | 振頻(Hz) | 雙振幅(mm) | 配用激振器 | |
| 粒度(mm) | t/h | |||||||
| ZSG-1540 | ≤350 | 25-400 | Y132M1-6 | 380 | 4.0 | 16 | 6-8 | FJZY-100-6 |
| ZSG1550 | ≤350 | 30-500 | Y132M2-6 | 380 | 5.5 | 16 | 6-8 | FJZY-100-6 |
| ZSG1530 | ≤350 | 20-350 | Y132M1-6 | 380 | 4.0 | 16 | 6-8 | FJZY-100-6 |
| ZSG1540 | ≤350 | 25-400 | Y132M2-6 | 380 | 5.5 | 16 | 8-10 | FJZY-160-6 |
| ZSG-1550 | ≤350 | 30-500 | Y132M2-6 | 380 | 5.5 | 16 | 8-10 | YJZG-160-6 |
對照尺寸圖表:

| 型號 | ZSG-1540 | ZSG-1550 | ZSG-1530 | ZSG-1540 | ZSG-1550 |
| L | 4000 | 5000 | 3000 | 4000 | 5000 |
| L1 | 3775 | 4775 | 2520 | 3460 | 4520 |
| L2 | 2712 | 3662 | 1667 | 2457 | 3247 |
| L3 | 823 | 873 | 613 | 823 | 1023 |
| L4 | 2945 | 3925 | 1770 | 2220 | 3220 |
| L5 | 580 | 600 | 530 | 900 | 900 |
| B | 2160 | 2160 | 2160 | 2160 | 2160 |
| B1 | 1910 | 1910 | 1910 | 1910 | 1910 |
| B2 | 1500 | 1500 | 1500 | 1500 | 1500 |
| H | 2300 | 2703 | 2220 | 2700 | 2940 |
| H1 | 2020 | 2370 | 1924 | 2300 | 2610 |
| H3 | 640 | 615 | 730 | 850 | 870 |
| H4 | 1000 | 1140 | 1120 | 1200 | 1260 |
| H5 | 440 | 600 | 645 |
注:以上型號尺寸為標準ZSG重型篩機型,如用戶有特殊要求可量身定做。
安裝與調試:
1、安裝前應參照安裝圖制作混凝土基礎,預埋地腳螺栓或預埋鋼板,預埋鋼板平面度誤差≤3mm。
2、安裝完畢,檢查調整各級彈簧,使各支撐位置受力均勻,電動機軸線應低于振動器軸線3-5mm,對稱點支撐彈簧應水平等高(誤差≤3mm)。
3、篩機各部位應牢固連接,所有螺栓開機前應緊固一次。
4、短時開機,檢查兩臺振動源轉向,使其相反。
5、調整振動源的偏心塊夾角,可以調整激振力,從而調整篩機振幅。
6、與其他障礙物間的距離不小于100mm。

高效重型篩分機使用與維護:
1、ZSG高效重型篩分機啟動前,應檢查各緊固件螺栓有無松動,如有松動應重新緊固。
2、篩機空載運行4-6小時,要求篩體運行平穩,無橫擺及異常聲音,激振器軸承溫度≤75℃。
3、空轉運行后,應將各部位螺栓重新緊固一次。
4、正常運轉后,定期檢查各緊固件螺栓緊固狀況。
5、經常檢查易損件的狀況,對已損壞或失去彈性的減振彈簧要及時更換。
6、篩網發生松裂或磨損,應及時緊固或更換。振源的調整、使用和維護,請參照振源使用說明書(振動電機使用3個月后加油一次,激振器每月加油一次,半年一小修,一年一大修)。
7、停車前應先停止給料,待篩面物料走完后再停車。
高效重型篩分機適用行業:
主要針對礦山開采、煤碳篩分等大塊狀物料為主,在數十種行業中得到了廣泛應用。



